产品
产品
搜索
首页
产品系列
应用案例
技术中心
关于我们
更多
联系我们
微压设备
膏体设备
首页
>>
技术中心
>>
技术知识
>>
常用接线图
技术中心
维修保养
技术知识
详细内容
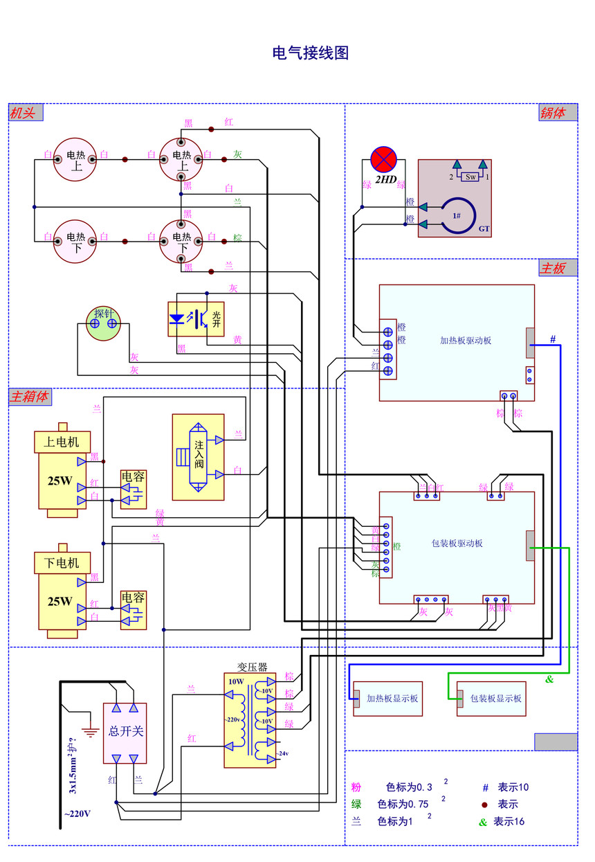
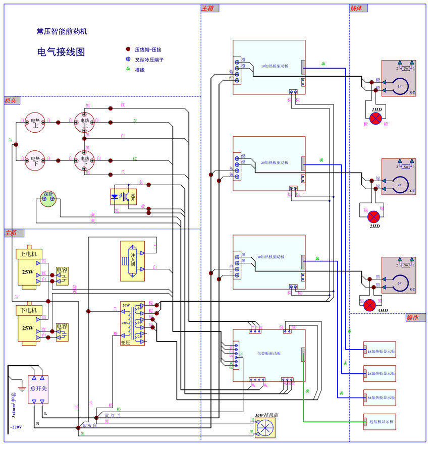
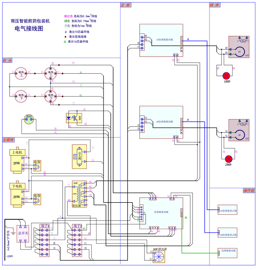
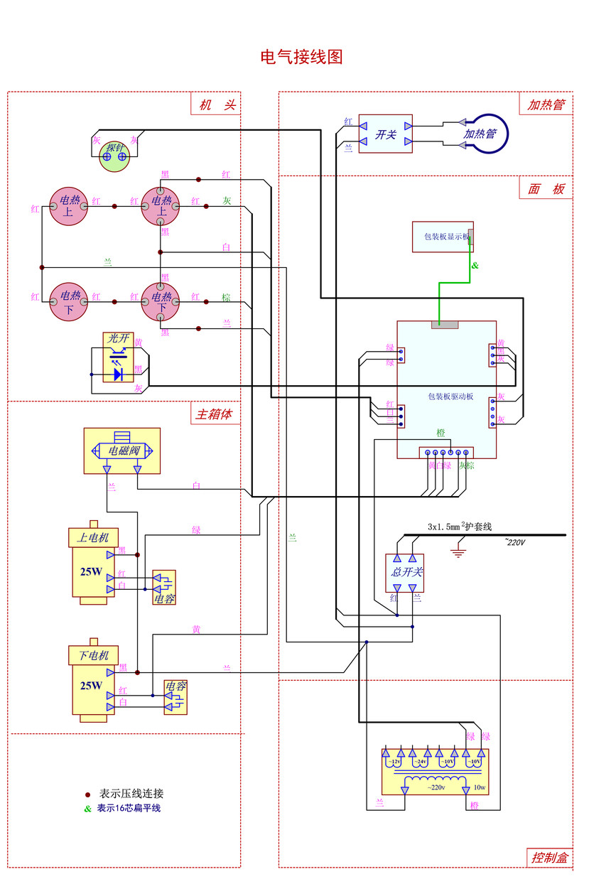
常用接线图
上一篇
包装袋安装方法
下一篇
自动包装机调试说明
标题
更多
网站首页
产品系列
工程案例
服务与支持
技术中心
关于我们
联系我们
电 话 022-82453781
16622723000(微信同号)
Email tianjinxinyan@163.com
地 址 天津市津南区诺恩道67号
电话直呼
在线留言